气缸_服务自动化行业配套与解决方案_RIH瑞亨气动_气缸厂家
服务热线:0577-62800800
您可以搜索产品、图纸、视频等一切相关信息
产品中心
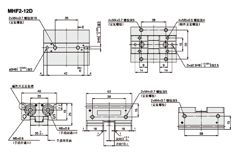
MHF2-12D1手指气缸

点击咨询 相关视频 资料下载
分享到: