气缸_服务自动化行业配套与解决方案_RIH瑞亨气动_气缸厂家
网站地图
服务于自动化系统配套与解决方案
服务热线:0577-62800800
产品中心
二级分类
三级分类b
三级分类b
三级分类b
三级分类b
三级分类b
三级分类b
三级分类b
二级分类
三级分类a
三级分类a
三级分类a
三级分类a
三级分类a
三级分类a
三级分类a
二级分类
二级分类
二级分类
二级分类
首页
气动产品中心
气动视频专区
图纸资源下载
气动技术交流
在线采购商城
瑞亨面对面说
您可以搜索产品、图纸、视频等一切相关信息
首页
>>
气动产品中心
>>
气缸型号大全
>>
手指气缸
产品中心
气缸型号大全
标准气缸
旋转气缸
薄型气缸
迷你气缸
导杆气缸
手指气缸
液压油缸
无杆气缸
非标气缸
气缸附件
气源处理器元件
三联件
二联件
调压过滤器
过滤器
调压阀
油雾器
尾端排水器
气动控制元件
电磁阀
人控阀
气控阀
机械阀
流体控制阀
对夹蝶阀
角座阀
气动辅助元件
快插接头
全铜镀镍接头
卡套快拧接头
螺纹接头
C式快速接头
球阀
安全阀消声器
其他
PU软管
缓冲器
热门文章推荐
RECOMMEND
01
工作原理
气缸工作原理其实是非常简单的,气缸一般分为单作用和双作用气缸,让活塞居于缸筒内部,通过空气实其上下复动,由缸筒,端盖,活塞,活塞杆和密封件等组成,想仔细了解气缸工作原理,......
02
机械式无杆气缸的应用领域_气动元件
机械式无杆气缸被广泛地应用于机械手、波峰焊接机、自动点胶机、丝移印机、喷涂设备、飞刀装置、吹塑机、吸塑机、包装机械、橡胶机械、皮草机械、纺织机械、雕刻机械、运输系统、物流......
03
气缸出力表_气缸推力计算公式
瑞亨气动提供最全面的气缸出力表和气缸推力计算公式,专注服务于自动化系列配套与解决方案,我们能够在用户遇到问题的**时间解决问题,打开高效的沟通渠道,提供用户**的气缸出力......
产品推荐
RECOMMEND
PC-螺纹直通
瑞亨气动是一家专业的气动接头厂家,产品出口欧美多个发达工业**,90%的客户从未见面直接付款,提供最全面的快速接头,调速接头,直通接头,三通接头,PC接头_气动接头_气动快速接头......
详情 +
电磁阀(4V110-06/4V210-08/4V310-10/4V410-15)
瑞亨气动专业的电磁阀生产厂家,生产的电磁阀能够代替亚德客电磁阀,热销产品4V210-08电磁阀,使用寿命高于同行50%以上,提供最全面的电磁阀报价选型......
详情 +
SC系列标准气缸
SC标准气缸是国内常用的标准气缸,瑞亨气动专注品质十年之久,提供全面的SC气缸型号尺寸咨询,SC标准气缸价格咨询,7X24小时的技术服务是品质的保障。......
详情 +
产品中心 +
<
>
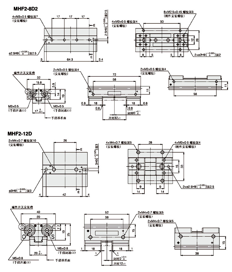
MHF2-12D1手指气缸
点击咨询
相关视频
资料下载
上一个:MHZJ2手指气缸
下一个:没有了!
分享到:
产品介绍
懒人介绍
图纸介绍
其他相关
行业应用案例
APPLICATION CASE
查看更多>>
木工机械专用气缸案列
食品包装机械行业应用案列
汽车制造行业气动元件应用案列
电子、半导体制造业行业应用案列
在线客服
0577-62800800